Připojení elektrického otvírače dveří pro videovrátný systém DS-KIS202, DS-KIS101-P, DS-KIS603-P, DS-KIS604-S, DS-KIS703-P Hikvision
Zpráva dne: 16-11-2020
Připojení elektrického otvírače dveří:
Video-intercom DS-KIS202:

DS-KIS703-P video interkom:

DS-KIS603-P video interkom:

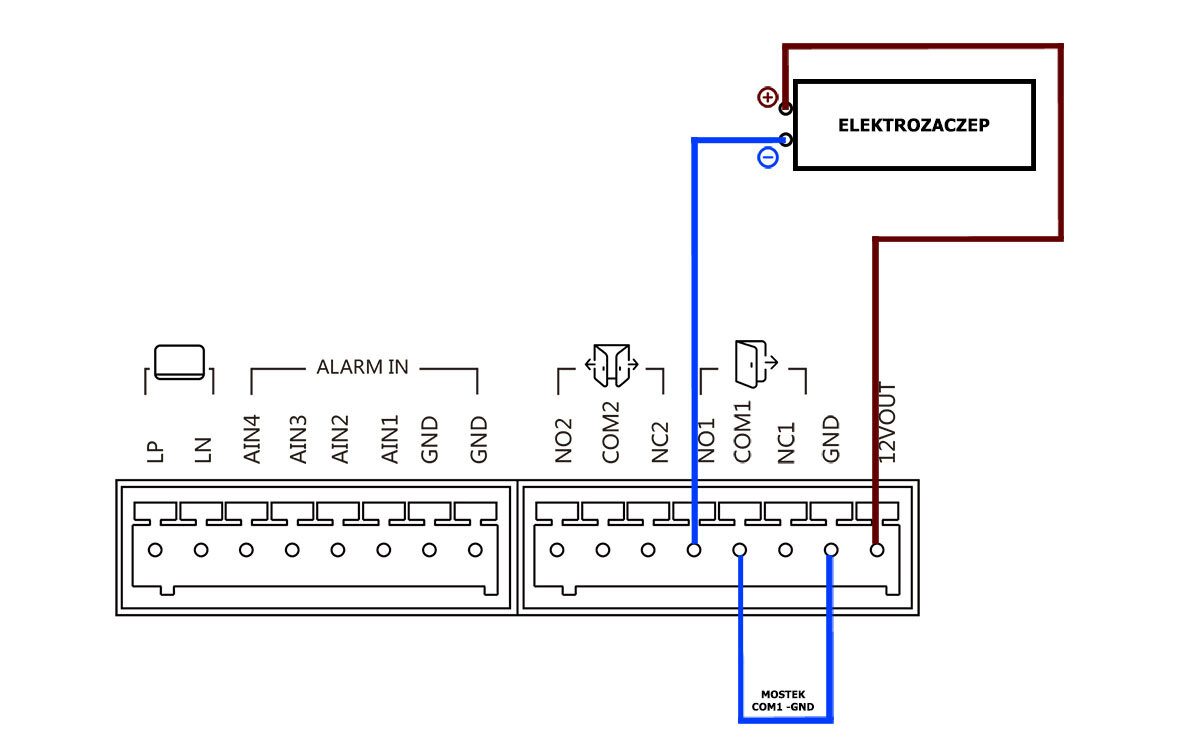
DS-KIS604-S video interkom

Připojení elektrického otvírače dveří:
Video-intercom DS-KIS202:

DS-KIS101-P videointerkom (napájení otvírače dveří ze sítě):
DS-KIS101-P videointerkom (napájení otvírače dveří z vnějšího panelu):


DS-KIS703-P video interkom:

DS-KIS603-P video interkom:

DS-KIS604-S video interkom

Další záznamy
Zóna značek
Naše doporučení
- Monitorování města
- Monitorování domova
- Monitorování sídliště
- Monitorování obchodu
- Monitorování lékárny
- Monitorování parkoviště
- Monitorování kanceláře
- Monitorování školy
- Monitorování skladu
- Monitorování čerpací stanice
- Kalkulačka kapacity pevného disku
- Kalkulačka ohniskové vzdálenosti objektivu
- Komplexní podpora expertů
- Efektivní zpracování objednávek
- Konkurenční ceny, akce a slevy
- 17 let na trhu