Připojení dveří k videovrátnému DS-KIS101-P, DS-KIS703-P, DS-KIS604-S Hikvision
Zpráva dne: 08-08-2022
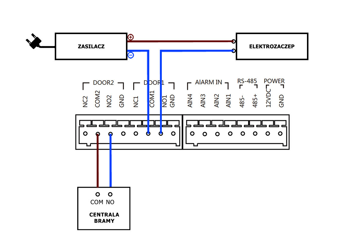
Připojení ústředny brány:
Připojení ústředny brány:
DS-KIS101-P videointerkom:

DS-KIS703-P videointerkom:

DS-KIS604-S videointerkom


DS-KIS703-P videointerkom:

DS-KIS604-S videointerkom

Další záznamy
Zóna značek
Naše doporučení
- Monitorování města
- Monitorování domova
- Monitorování sídliště
- Monitorování obchodu
- Monitorování lékárny
- Monitorování parkoviště
- Monitorování kanceláře
- Monitorování školy
- Monitorování skladu
- Monitorování čerpací stanice
- Kalkulačka kapacity pevného disku
- Kalkulačka ohniskové vzdálenosti objektivu
- Komplexní podpora expertů
- Efektivní zpracování objednávek
- Konkurenční ceny, akce a slevy
- 17 let na trhu


















